Joomla addon by poker sites best.

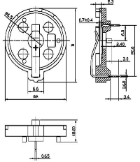
BTD-2325TB-L

BTD-2325TB-L
zoom Zoom image
BTD-2325TB-L BTD-2325TB-L
  BTD-2325TB-L

Number of contacts

 

Performance

lying

Insulator

PBT, rated UL94 V-0

Contact Material

copper alloy

Contact Surface

Acc. to options (see below), over Ni

   

Contact Resistance

 

Insulation Resistance

 

Test Voltage

 

Voltage Rating

 

Current Rating

 

Temperature Range

-40°C ... +105°C

   
Packaging  
Partnumber example BTD-2325TB-L

Catalog page / datasheet
3D PDF File on request
   
 

 

 

 

Thursday the 15th. Joomla 2.5 Templates | J!T .