Joomla addon by poker sites best.

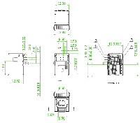
USB-001-BU-3.0-L

USB-001-BU-3.0-L
zoom Zoom image
USB-001-BU-3.0-L USB-001-BU-3.0-L
  USB-001-BU-3.0-L(blue)

Number of contact

 9

Performance

liegend

Insulator

PPS, nach UL94 V-0

Contact Material

Copper alloy

Plating

Acc. to options (see below), over Nii

   
   
Packaging

 

Partnumber example

USB-001-BU-3.0-L

Catalog page / Datasheet

 3D PDF File on request
   
   
   
Thursday the 15th. Joomla 2.5 Templates | J!T .