Joomla addon by poker sites best.

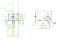
IEEE-1394R-4S-U

IEEE-1394R-4S-U
zoom Zoom image
IEEE-1394R-4S-U IEEE-1394R-4S-U
  IEEE-1394R-4S-U

Number of contact

 4

Performance

lying

Insulator

Nylon 9T, nach UL94 V-0

Contact Material

Copper alloy

Plating

Acc. to options (see below), over Nii

   
   
Packaging

 

Partnumber example

IEEE-1394R-4S-U

Catalog page / Datasheet

 3D PDF File on request
   
   
   
Thursday the 15th. Joomla 2.5 Templates | J!T .