Joomla addon by poker sites best.

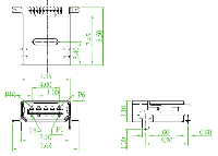
MUSB-F10M-U

MUSB-F10M-U
zoom Zoom image
MUSB-F10M-U MUSB-F10M-U
  MUSB-F10M-U

Number of contact

 10

Performance

liegend

Insulator

PBT, nach UL94 V-0

Contact Material

Copper alloy

Plating

Acc. to options (see below), over Nii

   
   
Packaging

 

Partnumber example

MUSB-F10M-U

Catalog page / Datasheet

 3D PDF File on request
   
   
   
Thursday the 15th. Joomla 2.5 Templates | J!T .