Joomla addon by poker sites best.

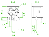
MDJ-508D-XA-L

MDJ-508D-XA-L
zoom Zoom image
MDJ-508D-XA-L MDJ-508D-XA-L
  MDJ-508D-3A-L

Number of contact

 3-9

Performance

right angled

Insulator

PBT, nach UL94 V-0

Contact Material

Phosphor bronze

Plating

Acc. to options (see below), over Nii

   
   
Packaging

 Tray

Partnumber example

MDJ-508D-8A-L

Catalog page / Datasheet

 3D PDF File on request
   
   
   
Thursday the 15th. Joomla 2.5 Templates | J!T .