Joomla addon by poker sites best.

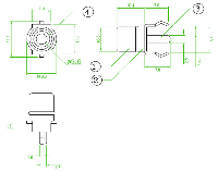
RCA-0009GG-L

RCA-0009GG-L
zoom Zoom image
RCA-0009GG-L RCA-0009GG-L
  RCA-0009GG-L

Number of contact

1

Performance

right angled

Insulator

ABS, nach UL94 V-0

Contact Material

Copper alloy

Plating

Acc. to options (see below), over Nii

   
   
Packaging

 

Partnumber example

RCA-0009GG-L

Catalog page / Datasheet

 3D PDF File on request
   
   
   
Thursday the 15th. Joomla 2.5 Templates | J!T .