Joomla addon by poker sites best.

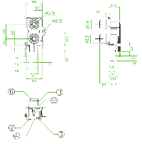
RCA-1416-2-L

RCA-1416-2-L
zoom Zoom image
RCA-1416-2-L RCA-1416-2-L
  RCA-1416-2-L

Number of contact

2

Performance

right angled

Insulator

ABS, nach UL94 V-0

Contact Material

Copper alloy

Plating

Acc. to options (see below), over Nii

   
   
Packaging

 

Partnumber example

RCA-1416-2-L

Catalog page / Datasheet

 3D PDF File on request
   
   
   
Thursday the 15th. Joomla 2.5 Templates | J!T .