Joomla addon by poker sites best.

DCJ10-0011TB-L

DCJ10-0011TB-L
zoom Zoom image
DCJ10-0011TB-L DCJ10-0011TB-L
  DCJ10-0011TB-L
DCJ13-0011TB-
L

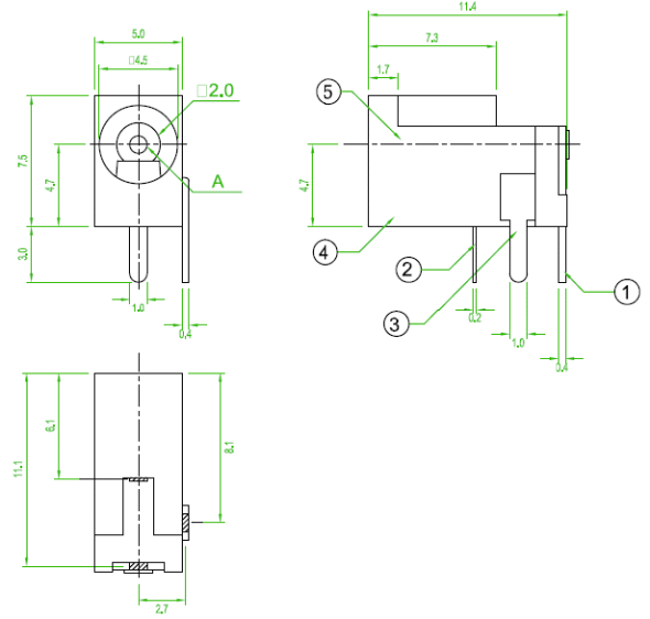
Number of contact

1

Performance

right angled

Insulator

ABS, nach UL94 V-0

Contact Material

Copper alloy

Plating

Acc. to options (see below), over Nii

   
   
Packaging

 

Partnumber example

DCJ10-0011TB-L

Catalog page / Datasheet

 3D PDF File on request
   
   
   
Tuesday the 14th. Joomla 2.5 Templates | J!T .