Joomla addon by poker sites best.

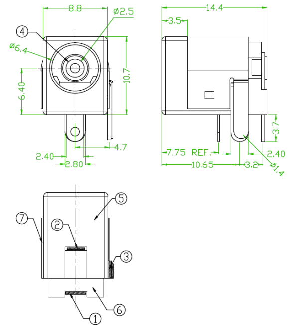
DCJ20S-0014TB-L

DCJ20S-0014TB-L
zoom Zoom image
DCJ20S-0014TB-L DCJ20S-0014TB-L
  DCJ20S-0014TB-L
DCJ25S-0014TB-
L

Number of contact

1

Performance

right angled

Insulator

ABS, nach UL94 V-0

Contact Material

Copper alloy

Plating

Acc. to options (see below), over Nii

   
   
Packaging

 

Partnumber example

DCJ20S-0014TB-L

Catalog page / Datasheet

 3D PDF File on request
   
   
   
Thursday the 15th. Joomla 2.5 Templates | J!T .