Joomla addon by poker sites best.

EPJ35-0008P-05TX-L

EPJ35-0008P-05TX-L
zoom Zoom image
EPJ35-0008P-05TX-L EPJ35-0008P-05TX-L
  EPJ35-0008P-05TX-L

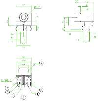
Number of contact

 3 or 5

Performance

right angled

Insulator

PBT, nach UL94 V-0

Contact Material

Copper alloy

Plating

Acc. to options (see below), over Nii

   
   
Packaging

 

Partnumber example

EPJ35-0008P-05TX-L

Catalog page / Datasheet

 3D PDF File on request
   
   
   
Thursday the 15th. Joomla 2.5 Templates | J!T .