Joomla addon by poker sites best.

1256MS-XXGB-U

1256MS-XXGB-U
zoom Zoom image
1256MS-XXGB-U 1256MS-XXGB-U 1256MS-XXGB-U 1256MS-XXGB-U 1256MS-XXGB-U 1256MS-XXGB-U
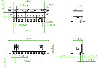
  1256MS-xxGB-U
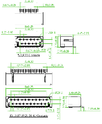
1256MR-xxGB-U
1256MRA-xxGB-U

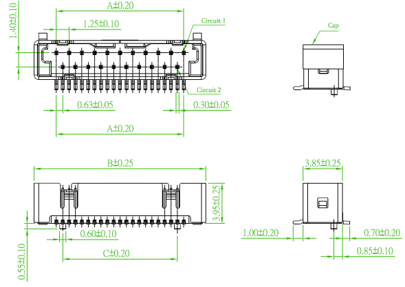
Number of contact

2- row

Performance

 

Insulator

Nylon 6T, nach UL94 V-0

Contact Material

Phosphor Bronze

Plating

Tin plating / Gold plating

Solderability

IEC 60512-12A

Proccessing

Reflow SMT soldering

Packaging Reel
Partnumber example

1256MS-21GB1-U

Catalog page / Datasheet

 3D PDF File on request
   
   
   
Thursday the 15th. Joomla 2.5 Templates | J!T .