Joomla addon by poker sites best.

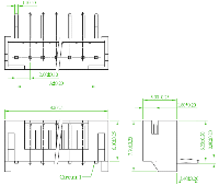
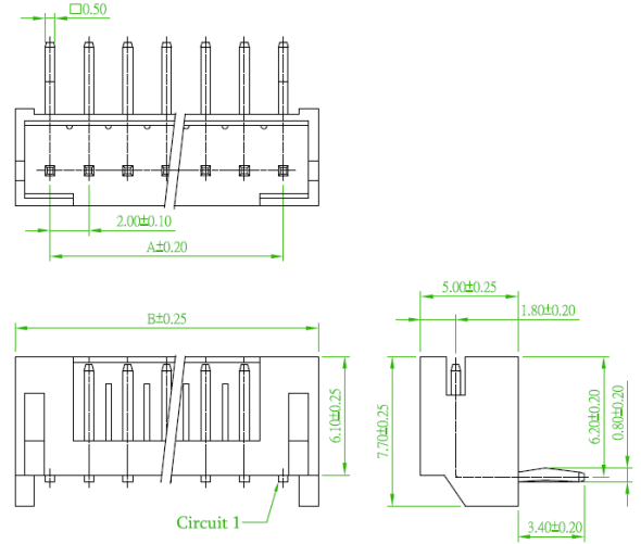
2007R-XXTR-L

2007R-XXTR-L
zoom Zoom image
2007R-XXTR-L 2007R-XXTR-L 2007R-XXTR-L 2007R-XXTR-L
  2007R-xxTR-L
2007S-xxTR-L

Number of contact

1- row 2 bis 15

Performance

 

Insulator

Nylon 66, nach UL94 V-0

Contact Material

Braas

Plating

Tin plating

Solderability

IEC 60512-12A

Proccessing

Wave soldering

Packaging Bulk pack
Partnumber example

2007S-10TR-L

Catalog page / Datasheet

 3D PDF File on request
Thursday the 15th. Joomla 2.5 Templates | J!T .