Joomla addon by poker sites best.

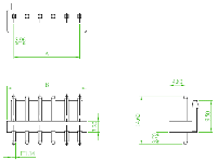
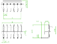
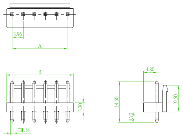
3962S-XXTW-L

3962S-XXTW-L
zoom Zoom image
3962S-XXTW-L 3962S-XXTW-L 3962S-XXTW-L 3962S-XXTW-L
  3962S-XXTW-L
3962R-XXTW-L

Number of contact

1- row 2 to 15

Performance

 

Insulator

Nylon 66, nach UL94 V-0

Contact Material

Braas

Plating

Tin plating

Solderability

IEC 60512-12A

Proccessing

Wave soldering

Packaging Bulk pack
Partnumber example

3962S-06TW-L

Catalog page / Datasheet

 3D PDF File on request
Thursday the 15th. Joomla 2.5 Templates | J!T .