Joomla addon by poker sites best.

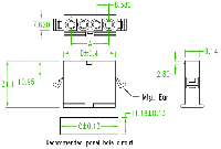
8380H-MXXXW-L

8380H-MXXXW-L
zoom Zoom image
8380H-MXXXW-L 8380H-MXXXW-L 8380H-MXXXW-L
 

8380H-MXXXW-L
8380H-FXXXWX-L

Number of contact

1- row 1 to 4

Performance

 

Insulator

Nylon66, acc. UL94 V-0

Contact Material

 

Plating

 

Solderability

 

Proccessing

 
Packaging

Bulk

Partnumber example

8380H-M104W-L

Catalog page / Datasheet

 3D PDF File on request
Thursday the 15th. Joomla 2.5 Templates | J!T .