Advanced search
Übersichtsseiten der Ratioplast Produkte / Overview of Ratioplast products
xhtml
Joomla addon by
poker sites best
.
MJTK
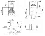
Zoom image
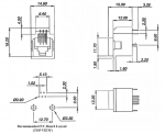
Zoom image
Specification
Ordernumber
example
Isolation restistance
500 MOhm min.
MJTK-44AB
4P4C 6µ"
Contact restistance
20m Ohm max.
MJTK-66CB
6P6C 30µ"
Current rating
1,5 A max.
Rating Voltage
120 V AC
Temperatur range
-40 bis +85 ° C
Durability
500 cycles min.
Materials
Housing
PBT
Solder Temperatur
235° C
Color
Black
Spring wire
Phosphor Bronze
Plating
Gold over Nickel
Datasheet
Old price:
0.00 EUR
Thursday the 15th.
Joomla 2.5 Templates
|
J!T
.