  |
|
|
|
| Specification |
|
Ordernumber |
example |
| Isolation restistance |
1000 MOhm min. |
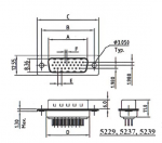
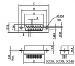
5231-15TW |
Male 15pol. white stamped contact full gold |
| Contact restistance |
25m Ohm max. |
5232-26TW |
Female 26pol white stamped contact full gold |
| Current rating |
|
5233-44TW |
Male 44pol. white machined contact full gold plated |
| stamped contact |
3 A |
5234-62TW |
Female 62pol. white machined contact full gold plated |
| machined contact |
5 A |
5235-77TB |
Male 77ol. black stamped contact full gold plated |
| Temperatur range |
-55 bis +105 ° C |
5236-15TU |
Female 15pol. blue stamped contact full gold plated |
| Durability |
|
|
|
| stamped contacts |
min. 50 |
|
|
| machined contacts |
min.200 |
|
|
| Materials |
|
|
|
| Insulator |
PBT |
|
|
| Solder Temperatur |
235° C |
|
|
| Color |
Black |
|
|
| Spring wire |
Phosphor Bronze |
|
|
| Plating |
Gold over Nickel |
|
|
| Shell |
Brass / Steel |
|
|
| Shellplating |
tin over copper |
|
|
 |
Datasheet |
|
|