Advanced search
Übersichtsseiten der Ratioplast Produkte / Overview of Ratioplast products
xhtml
Joomla addon by
poker sites best
.
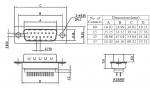
5285,5286
Zoom image
Zoom image
Specification
Ordernumber
example
Isolation restistance
1000 MOhm min.
5285-09TB
Male 9pol. stamped contact full gold
Contact restistance
25m Ohm max.
5286-15TB
Female 15pol stamped contact full gold
Current rating
stamped contact
3 A
machined contact
5 A
Temperatur range
-55 bis +105 ° C
Durability
stamped contacts
min. 50
machined contacts
min.200
Materials
Insulator
PBT
Solder Temperatur
235° C
Color
Black
Spring wire
Phosphor Bronze
Plating
Gold over Nickel
Shell
Brass / Steel
Shellplating
tin over copper
Datasheet
Old price:
0.00 EUR
Thursday the 15th.
Joomla 2.5 Templates
|
J!T
.