Joomla addon by poker sites best.

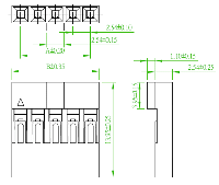
2541H-XXXB-L

2541H-XXXB-L
zoom vergrößern
2541H-XXXB-L 2541H-XXXB-L 2541H-XXXB-L 2541H-XXXB-L
  2541H-1XXB-L
2541H-2XXB-L

Polzahlen

1- reihig 2 bis 40
2- reihig 2 bis 80

Ausführung

 

Isolierkörper

Nylon 66, nach UL94 V-0

Kontaktmaterial

 Phosphor Bronze

Kontaktoberfläche

 verzinnt

Lötbarkeit

 

Verarbeitung

Welle

Verpackung

Schüttgut

Bestellbeispiel

2541H-215B-L

Katalogseiten / Datenblatt

 3D PDF File auf Anfrage
   
   
   

Stiftleisten, Buchsenleisten, Raster 1,0mm, Raster 1,27mm, Raster 2,0mm, Raster 2,54mm
Modular Jacks, D-Sub, Crimp-Rast Systeme, Sondersteckverbinder, FPC-FFC Buchsenleisten, IDC Verbinder, Flachbandkabel, Jumper, Codierstifte Leitungsbrücken, USB A, USB B, Mini USB, IEE1394, USB3.0, Formenbau, Kunststofftechnik, Spritzguss, Lichtwellenleiterkabel, LWL Steckverbinder, Medienkonverter, Einbausets, Duplex Verbindungen, Interfaces, Optische Wandler, Faserabisolierer
, Polierscheiben

Thursday the 15th. Joomla 2.5 Templates | J!T .