Joomla addon by poker sites best.

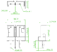
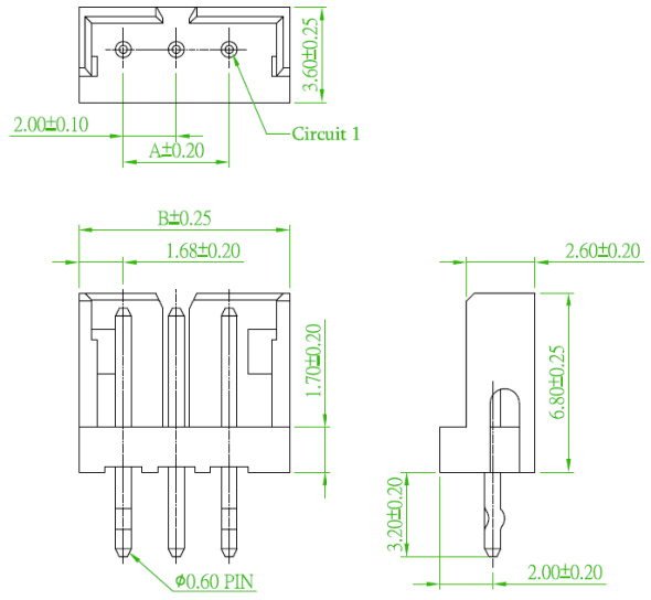
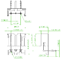
2006R-XXTW-L

2006R-XXTW-L
zoom vergrößern
2006R-XXTW-L 2006R-XXTW-L 2006R-XXTW-L 2006R-XXTW-L
  2006R-xxTW-L
2006S-xxTW-L

Polzahl

1- reihig 2 bis 15

Ausführung

 

Isolierkörper

Nylon 66, nach UL94 V-0

Kontaktmaterial

Kupfer

Kontaktoberfläche

Verzinnt

Lötbarkeit

IEC 60512-12A

Löttechnik

Welle

Verpackung Schüttgut
Bestellbeispiel

2006S-10TW-L

Katalogseite / Datenblatt

 3D PDF File auf Anfrage
   
   
   
   
   
   
   
   
   
   
   
   

Stiftleisten, Buchsenleisten, Raster 1,0mm, Raster 1,27mm, Raster 2,0mm, Raster 2,54mm
Modular Jacks, D-Sub, Crimp-Rast Systeme, Sondersteckverbinder, FPC-FFC Buchsenleisten, IDC Verbinder, Flachbandkabel, Jumper, Codierstifte Leitungsbrücken, USB A, USB B, Mini USB, IEE1394, USB3.0, Formenbau, Kunststofftechnik, Spritzguss, Lichtwellenleiterkabel, LWL Steckverbinder, Medienkonverter, Einbausets, Duplex Verbindungen, Interfaces, Optische Wandler, Faserabisolierer
, Polierscheiben

Thursday the 15th. Joomla 2.5 Templates | J!T .